
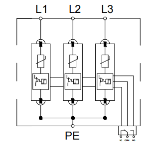
O Dispositivo de proteção contra sobretensões CA de 3 pólos de 40kA foi concebido para redes trifásicas de corrente alternada, combinando uma resposta rápida e uma elevada capacidade de descarga.
Com o avançado Varistores MOV ZnO, O sistema de proteção contra transientes de tensão e sobretensões de raios é eficaz.
O seu invólucro é feito de PVC/PA66/PBT materiais para resistência, isolamento e resistência à chama.
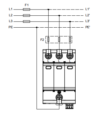
Fabricado sob IEC 61643-11:2011 / EN 61643-11:2022, e certificada por CE E TUV.
Como profissional Fabricante e fábrica de proteção contra sobretensões OEM/ODM, oferecemos opções de fornecimento por grosso e a granel.
Cenários aplicáveis / Sectores de aplicação
Este SPD instala-se facilmente através de Calha DIN de 35 mm, adequado para caixas combinadoras solares, painéis de controloe Sistemas de energia AC.











