
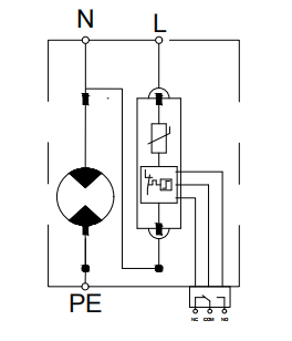
O nosso Dispositivo de proteção contra sobretensões CA 20kA 1P+N GDT combinações GDT + MOV ZnO oferecendo um desempenho de descarga coordenado para sistemas monofásicos + neutro.
Assegura uma resposta rápida às sobretensões de raios e uma tensão residual mínima.
As utilizações habitacionais PVC/PA66/PBT materiais para segurança, isolamento e durabilidade.
Em conformidade com IEC 61643-11:2011 / EN 61643-11:2022, certificado por CE E TUV.
Como fabricante, fornecedor e fábrica OEM/ODM, oferecemos grossista, compra a granele opções a granel para distribuidores a nível mundial.
Cenários aplicáveis / Sectores de aplicação
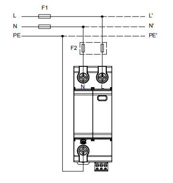
Perfeito para painéis de controlo residenciais, sistemas solarese caixas combinadoras, instalado através de Calha DIN de 35 mm.










