
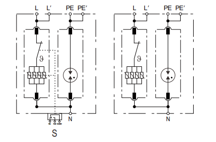
Diese 100kA 1P+N GDT AC-Überspannungsschutzgerät kombiniert Graphit-Lichtbogenlücke, MOV ZnOund GDT (Gasentladungsrohr) Technologie für extrem zuverlässigen Überspannungsschutz.
Es bietet eine hervorragende Abstimmung zwischen Entlade- und Klemmleistung, ideal für AC-Stromversorgungssysteme und Wohnblitzschutz.
Das Gehäuse, hergestellt aus hochfestes PVC/PA66/PBT, gewährleistet Isolierung und Sicherheit. Entspricht vollständig den IEC 61643-11:2011 / EN 61643-11:2022, und trägt CE und TUV Noten.
Wir sind ein professioneller Hersteller, Lieferant und Fabrik Bereitstellung von OEM/ODM-Anpassung, Großhandelund Großeinkaufsoptionen.
Anwendbare Szenarien / Anwendungsindustrien
Installiert am 35mm DIN-Schiene, passt er perfekt in die Verteilerkästen, Schaltschränke und Schalttafeln.










