
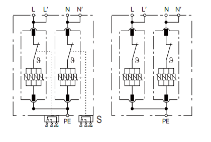
Our 100kA 2 pole AC surge protective device is engineered for robust surge protection across dual-phase power systems. Using graphite arc gap + MOV ZnO components, it effectively absorbs transient overvoltage caused by lightning or switching surges.
Constructed with PVC/PA66/PBT housing, the SPD features excellent flame resistance and long service life. It meets IEC 61643-11:2011 / EN 61643-11:2022 international standards and carries CE & TUV certifications.
As a direct manufacturer and factory supplier, we provide OEM/ODM services with wholesale and bulk buy options to global partners.
This SPD is ideal for AC power distribution, solar systemse industrial control cabinets, mounted easily via 35mm DIN rail installation. Trust our factory for reliable surge protection solutions.






