
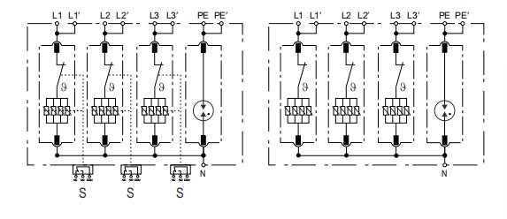
The 100kA 3P+N GDT AC surge protective device is a high-performance product designed for three-phase + neutral AC systems.
It adopts graphite arc gap discharge, MOV ZnO, and GDT protection, ensuring fast response and high reliability during lightning strikes or transient voltage surges.
Built from PVC/PA66/PBT flame-retardant housing, certified by CE and TUV, and manufactured under IEC 61643-11:2011 / EN 61643-11:2022 standards.
As a factory OEM/ODM manufacturer, we offer bulk buy, in bulk, and wholesale services for global customers.
Applicable scenarios / Application industries
Compatible with 35mm DIN rail, it’s widely used in solar power systems, AC distribution boards, industrial control boxes, and building lightning protection networks.










