
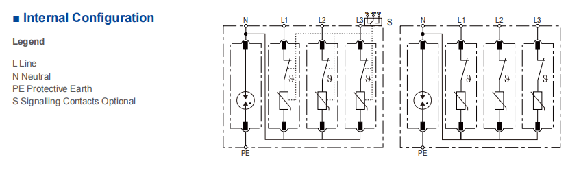
The mini size 40kA 3P+N GDT AC SPD provides complete surge protection for three-phase AC systems while maintaining a compact footprint. As a global manufacturer, supplier, and OEM/ODM factory, we support wholesale and bulk buy / in bulk distribution for clients in the electrical protection industry. This model features a Ne gas-filled GDT that delivers exceptional lightning surge discharge capability with minimal leakage current, making it ideal for sensitive or high-value electrical systems.
Fully compliant with IEC 61643-11:2011 / EN 61643-11:2022 and certified by CE & TUV, the product ensures safety and reliability for global markets. We offer complete OEM services, including custom technical parameters, external housing, branding, and packaging. This mini size 3P+N GDT SPD is ideal for distributors and system integrators looking for high-performance surge protection devices that save panel space without compromising safety or quality.
Applicable scenarios / Application industries
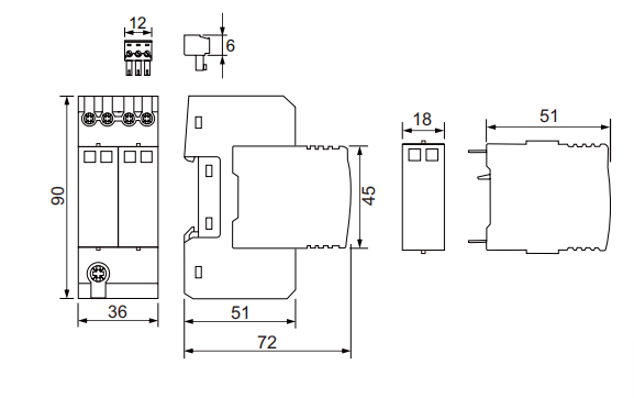
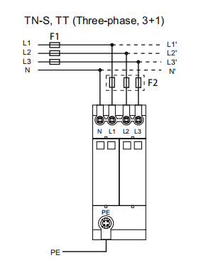
Built with PVC/PA66/PBT industrial housing, the device is designed for durability, flame retardancy, and long-term stability. Its 3P+N structure provides coordinated protection for L1, L2, L3, and N, widely used in commercial power systems, industrial automation equipment, building power supplies, and energy storage AC distribution cabinets. Despite its mini size, it achieves a 40kA surge rating, offering a balance between space efficiency and high-level surge protection performance.











